TV 352
TV 352
TV Serie -
Vertikale Antriebseinheiten
Ausführungen
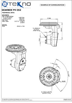
- Max. Radmoment in Beschleunigung 1400 Nm
- Radmoment kontinuierlich 460 Nm
- Max Radlast 2600 Kg
- Max Übersetzung 1/25.6
Ø 343 x 114
- Typ AC, DC
- Spannung von 24V bis 80V
- Max Leistung 6.5 kW
- Elektromagnetisch
- Spannung von 24V bis 80V
- Max statisches Bremsmoment 95 Nm
- Handlüftungshebel verfügbar
- Ritzel und Zahnkranz
- Kettenanschluß 5/8 x 3/8
- Typ AC, DC-PM
- Spannung von 24V bis 80V
- Leistung 0.7 kW
- Ausgangsmoment 120 Nm
Vorbereitung für:
- Potentiometer-Ritzel Z14 M2.5
- Positionierung-Proxy
- Mechanischen Anschlag
Vorteile

- Hochmoment-Getriebe für Maschinen mit Raddurchmesser 350 mm
- Die Version mit feststehendem Motor verhindert das Risiko von Kabelnbeschädigung
- Geschliffene Low-Noise Zahnräder
- Reduziertes Backlash
- Ölgeschmiertes Getriebe
- Komplette Integration mit Antriebsmotor, Lenkmotor, Platte und Steuerung möglich
- Hoher Wirkungsgrad, über 95%
- 100% getestete und zertifizierte Antriebseinheiten
- Große Motoren-Auswahl
- Große Räder-Auswahl
- Einfache Wartung
- ISO9001 und ISO14001 zertifiziertes Produktionssystem
- Made in Italy